0
中文
│
English
Home
Company profile
About us
procedure
Video
Products
LIFT-O-MAT
LIFT-O-MAT
06X15 Carbon Steel Series
08X18 Carbon Steel Series
10X22 Carbon Steel Series
14X28 Carbon Steel Series
20X40 Carbon Steel Series
LIFT-O-MAT INOX LINE
4/12 SUS316
6/15 SUS316
8/18 SUS316
10/22 SUS316
14/28 SUS316
LIFT-O-MAT-DD Dynamic
06X15 Dynamic Damping
08X19 Dynamic Damping
10X22 Dynamic Damping
LIFT-O-MAT With Safety Tube
8mmx18mm
10mmx22mm
INOXLINE Safety Tube-Gas Spring
8/18 Stainless 316 Safety Tube
10/22 Stainless 316 Safety Tube
LIFT-O-MAT Push To Lift
LIFT-O-MAT-PTL
BLOC-O-LIFT
BLOC-O-LIFT
Gas Spring - Lock Type
BLOC-O-LIFT T
10x28 Standard type
BLOC-O-LIFT OBT
08x22mm
BOL Series Special accessories
Tension Spring
Z0619 Tension Spring
Z1028 Tension Spring
STAB-O-SHOC
HD Compression Damping
HD15C 6mm Piston Rod x 15mm cylinder
HD18C 8mm Piston Rod x 18mm cylinder
HD24C 10mm Piston Rod x 24mm cylinder
HD Extension Damping
HD15E 6mm Piston Rod x 15mm cylinder
HD18E 8mm Piston Rod x 18mm cylinder
HD24E10mm Piston Rod x 24mm cylinder
Furniture Gas Spring
Vehicle Replacement
Industrial Powerise
Brackets
Connecting Parts
Ball Studs
Gas Spring Accessory
New Products
Related Information
Force diagram
Applications
Installation calculation
General advice for Installation
Customer installation example
Test report
Purchasing
News
Home
Ball Studs
Ball Dia. (8mm、13mm、16mm)
Ball Dia. (8mm、13mm、16mm)
Continue to buy
Inquiry immediately
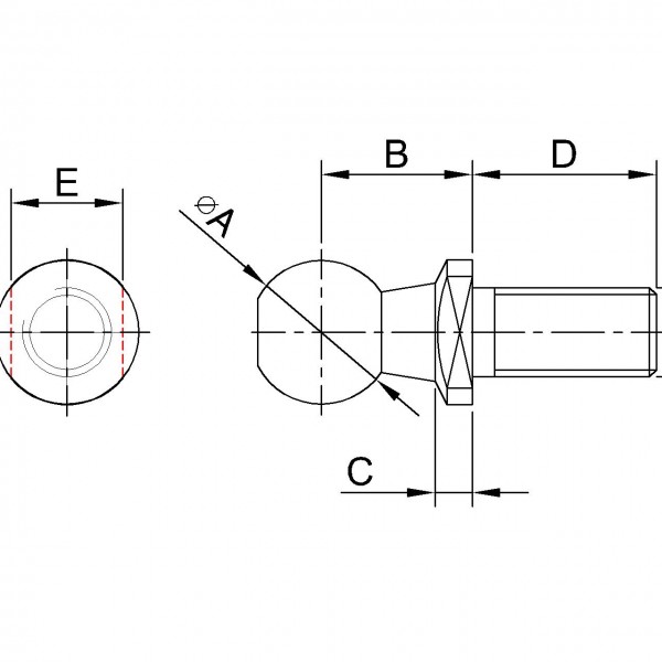
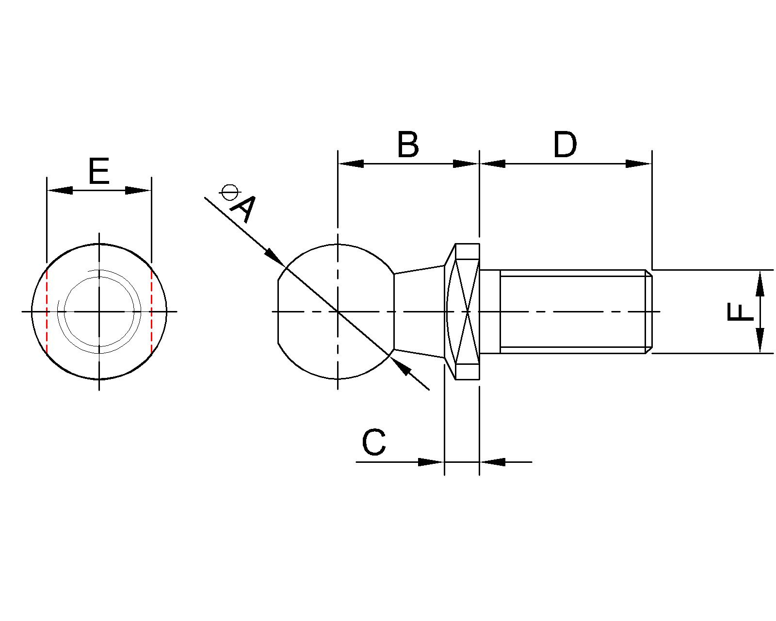
Product Details
Unit:mm
Model No.
Ball Dia. ( A )
B
C
D
E
Thread ( F )
Material
Surface Treatment
Weight (g)
SW7M4 ZINC
∅8
9
2.5
10
7
M4X0.7
12L14
White Zinc Plated
SW7M5 ZINC
M5X0.8
12L14
White Zinc Plated
SWS7M5 SUS303
SUS303
Vibratory Grinding
SW-352950
∅13
13
2.8
16.3
11
M10X1.5
STDE
White Zinc Plated
SW18 BLACK ZINC
∅16
17.4
3
20
13
12L14
Black Zinc Plated
Similar products
More
HEX. Ball Dia. 10mm
More
HEX. Ball Dia. 13mm
More
SW6411(HEX)
More
SW6412(HEX)
More
SWS6411X(HEX/STAINLESS)
More
SWS6412X(HEX/STAINLESS)
More
Ni NUT
More
NUT